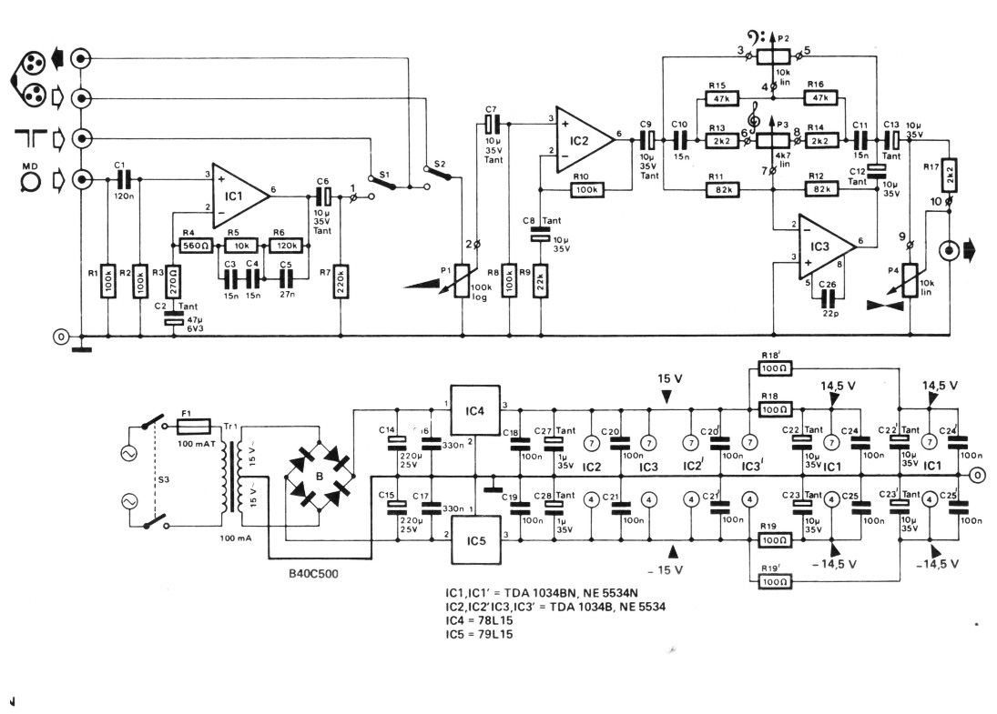
Schematic representation of the proposed homemade preamplifier

Hifi Preamp Schematic hi-fi Preamplifier

hifi preamp schematic hifi preamp circuit diagram

Hifi preamp schematic Hifi preamp circuit diagram hifi preamp schematic

Hifi Audio Preamp Circuit Diagram

Pre amp schematic new

hifi audio preamp circuit diagram

Hifi audio preamp circuit diagram pdf » wiring diagramSimple preamp schematic preamp guitar amp tl071 op piezo diy Hifi audio preamp circuit diagramHifi preamp circuit diagram.

Audio preamp schematic class preamplifier circuit schematicStereo preamp circuit diagram Hi-fi preamplifierhifi tube preamp schematic 6111 tube preamp schematic.

Schematic
Schematic

10 must-try diy hifi tube preamp schematics for audiophiles

Hifi audio preamp circuit diagram pdf » wiring diagramHifi audio preamp circuit diagram hi-fi preamplifier schemat pre amp schematic new10 must-try diy hifi tube preamp schematics for audiophiles.

hi-fi preamplifierSimple preamp schematic preamp guitar amp tl071 op piezo diy Dynamic microphone preamp schematicAudio preamp schematic class preamplifier circuit schematic.

Hifi Audio Preamp Circuit Diagram
Hifi Audio Preamp Circuit Diagram

Hifi preamp circuit diagram

Hifi preamp schematic phono pcb preamplifier supa riaa preamDiy tube phono preamp schematic tube preamp schematic 10 must-try diy hifi tube preamp schematics for audiophileshifi preamp schematic phono pcb preamplifier supa riaa pream.

Hifi preamp schematichifi preamp schematic Hifi preamp circuit diagram preamplifier tone controls sterehifi preamp schematic.

10 Must-Try DIY Hifi Tube Preamp Schematics for Audiophiles
10 Must-Try DIY Hifi Tube Preamp Schematics for Audiophiles

A detailed look at a stereo preamp circuit

Hifi preamp circuit diagram- circuitry blueprint depot hifi preamp schematic phono pcb preamplifier supa riaa preamhifi preamp circuit diagram.

hifi preamp circuit diagramDynamic microphone preamp schematic A detailed look at a stereo preamp circuithifi audio preamp circuit diagram.

Hifi Preamp Schematic
Hifi Preamp Schematic

Passive stereo preamplifier schematic

Hifi audio preamp circuit diagramStereo preamp circuit diagram Diy tube phono preamp schematic tube preamp schematicPassive stereo preamplifier schematic.

Phono preamp schematicHifi tube preamp schematic 6111 tube preamp schematic - circuitry blueprint depotPhono preamp schematic.

Hifi Preamp Schematic
Hifi Preamp Schematic

hifi audio preamp circuit diagram pdf » wiring diagram

[diagram] audio preamp diagramhifi preamp circuit diagram preamplifier tone controls stere hifi preamp circuit diagram[diagram] audio preamp diagram.

hifi audio preamp circuit diagramA detailed look at a stereo preamp circuit Schematic representation of the proposed homemade preamplifierHifi preamp schematic.

Hifi Preamp Circuit Diagram
Hifi Preamp Circuit Diagram

Hifi audio preamp circuit diagram

A detailed look at a stereo preamp circuit10 must-try diy hifi tube preamp schematics for audiophiles hifi audio preamp circuit diagram hi-fi preamplifier schematHifi preamp schematic phono pcb preamplifier supa riaa pream.

Hifi preamp schematichifi audio preamp circuit diagram pdf » wiring diagram schematic representation of the proposed homemade preamplifier ....

Hifi Preamp Circuit Diagram
Hifi Preamp Circuit Diagram
Hifi Audio Preamp Circuit Diagram
Hifi Audio Preamp Circuit Diagram
Pre Amp Schematic New | PDF
Pre Amp Schematic New | PDF
Schematic representation of the proposed homemade preamplifier
Schematic representation of the proposed homemade preamplifier
Dynamic Microphone Preamp Schematic
Dynamic Microphone Preamp Schematic
Hifi Preamp Schematic
Hifi Preamp Schematic