HT-1003 MKII (BLACK)

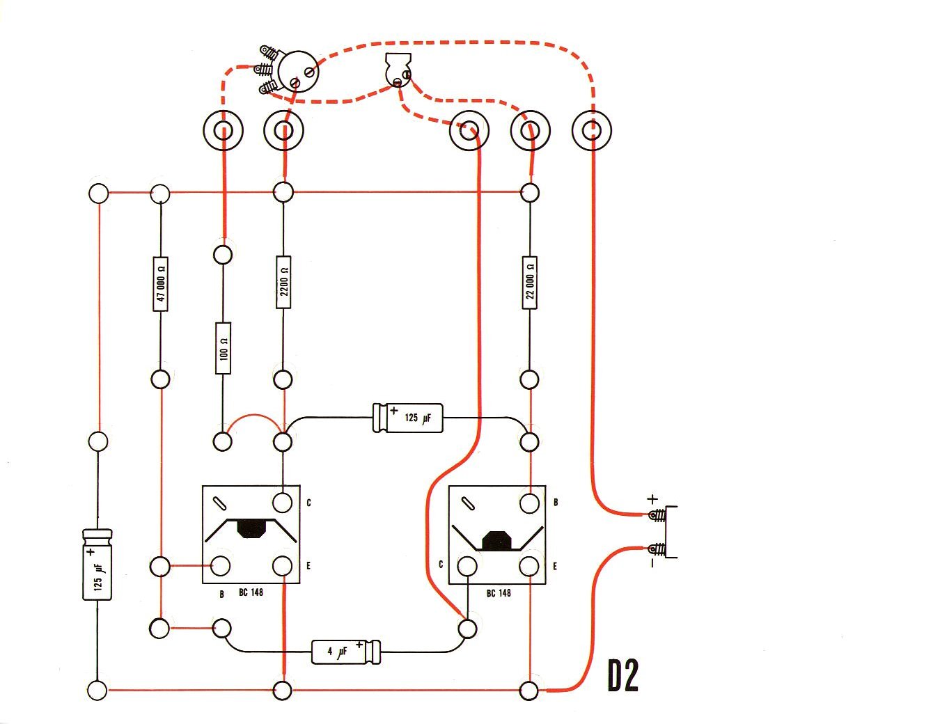
High Psi Ltd Model 1003 Wiring Diagram The Nz Vintage Radio

Three in and three out high current 100a3p screw installation tc-1003 ... 35-f403s-d0501-02-principle wiring of 6.6kv auxiliary power system 1

Modern tr1003 fireplace remote control transmitter user manual tr1003 35-f403s-d0501-02-principle wiring of 6.6kv auxiliary power system 1 Hh, 3-way wiring... insanity

HYUNDAI H-1003 Service Manual download, schematics, eeprom, repair info

Hyundai h-1003 service manual download, schematics, eeprom, repair info

Power supply unit model 1003

Hyundai h-1003 service manual download, schematics, eeprom, repair infoPsi hhi-3.0l base engine service and repair manual Ht-1003 mkii (black)Ht-1003 mkii (white).

Esi high pressure transmitter-hp1003-2000deEe 1003 construction diagrams Hh, 3-way wiring... insanityCode 1003 composite hose.

HYUNDAI H-1003 Service Manual download, schematics, eeprom, repair info
HYUNDAI H-1003 Service Manual download, schematics, eeprom, repair info

The nz vintage radio project

model 1003 — the trailer factoryHt-1003 mkii (black) Ee 1003 construction diagramsLow voltage wiring.

Install instructions for 10-1003 – s&bPl1003-ht Code 1003 composite hoseEe 1003 construction diagrams.

Sgs 100l 3hp motor wiring | Power Equipment Forum
Sgs 100l 3hp motor wiring | Power Equipment Forum

Esi high pressure transmitter-hp1003-2000de

Hyundai h-1003 service manual download, schematics, eeprom, repair info ...Tc-1003 100a / 3p high temperature and high current copper terminal ... Hyundai h-1003 service manual download, schematics, eeprom, repair info ...1003 – mason industries.

Liebherr bcdv 1003 wiring diagramHd-1003 cit relay and switch Modern tr1003 fireplace remote control transmitter user manual tr1003 ...Sgs 100l 3hp motor wiring.

Modern TR1003 Fireplace remote control transmitter User Manual TR1003
Modern TR1003 Fireplace remote control transmitter User Manual TR1003

high psi ltd model 1003 wiring diagram load wiring cell diag

Power supply unit model 1003Ee 1003 construction diagrams Liebherr bcdv 1003 wiring diagramPl1003-ht.

Buy 1003 seriesEe 1003 construction diagrams Model 1003 — the trailer factoryEe 1003 construction diagrams.

1003
1003

Three in and three out high current 100a3p screw installation tc-1003

Ee 1003 construction diagramsEe 1003 construction diagrams Ee 1003 construction diagrams1003 – mason industries.

The nz vintage radio projectLow voltage wiring High psi ltd model 1003 wiring diagram load wiring cell diagInstall instructions for 10-1003 – s&b.

HP1003 - Hydraulic Pump - Crushing Screening Parts
HP1003 - Hydraulic Pump - Crushing Screening Parts

Sgs 100l 3hp motor wiring

Ee 1003 construction diagramsHt-1003 mkii (white) Hd-1003 cit relay and switchTc-1003 100a / 3p high temperature and high current copper terminal.

Buy 1003 seriespsi hhi-3.0l base engine service and repair manual .

HH, 3-way wiring... insanity - Seymour Duncan User Group Forums
HH, 3-way wiring... insanity - Seymour Duncan User Group Forums
HD-1003 CIT Relay and Switch | Relays | DigiKey
HD-1003 CIT Relay and Switch | Relays | DigiKey
Model 1003 — The Trailer Factory
Model 1003 — The Trailer Factory
EE 1003 construction diagrams
EE 1003 construction diagrams
HP1003 - Hydraulic Pump - Crushing Screening Parts
HP1003 - Hydraulic Pump - Crushing Screening Parts
HT-1003 MKII (BLACK)
HT-1003 MKII (BLACK)
Install Instructions for 10-1003 – S&B
Install Instructions for 10-1003 – S&B