How To Wire 2 3 Way Switches A Light | Homeminimalisite.com

Hiwatt Power Switch Wiring Diagram Hiwatt Custom 100 Schemat

Diagram for wiring a 3 way switch Mhuss hiwatt amplifier pages

Mhuss hiwatt amplifier pages diagram for wiring a 3 way switch Mhuss hiwatt amplifier pages

How to Wire Two Light Switches With 2 lights with One Power Supply diagram

Mhuss hiwatt amplifier pages

Mhuss hiwatt amplifier pages

Mhuss hiwatt amplifier pagesHow to wire two light switches with 2 lights with one power supply diagram 3-way switch wiring explainedMhuss hiwatt amplifier pages.

wiring diagram for 3 way switch explainedMhuss hiwatt amplifier pages How to convert a 3 way switch to single polePower / wattage switch.

Power / Wattage switch
Power / Wattage switch

Mhuss hiwatt amplifier pages

Wiring diagram for 3 way switch explainedHow to wire a 4 way switch to a 3 way switch Mhuss hiwatt amplifier pagesMhuss hiwatt amplifier pages.

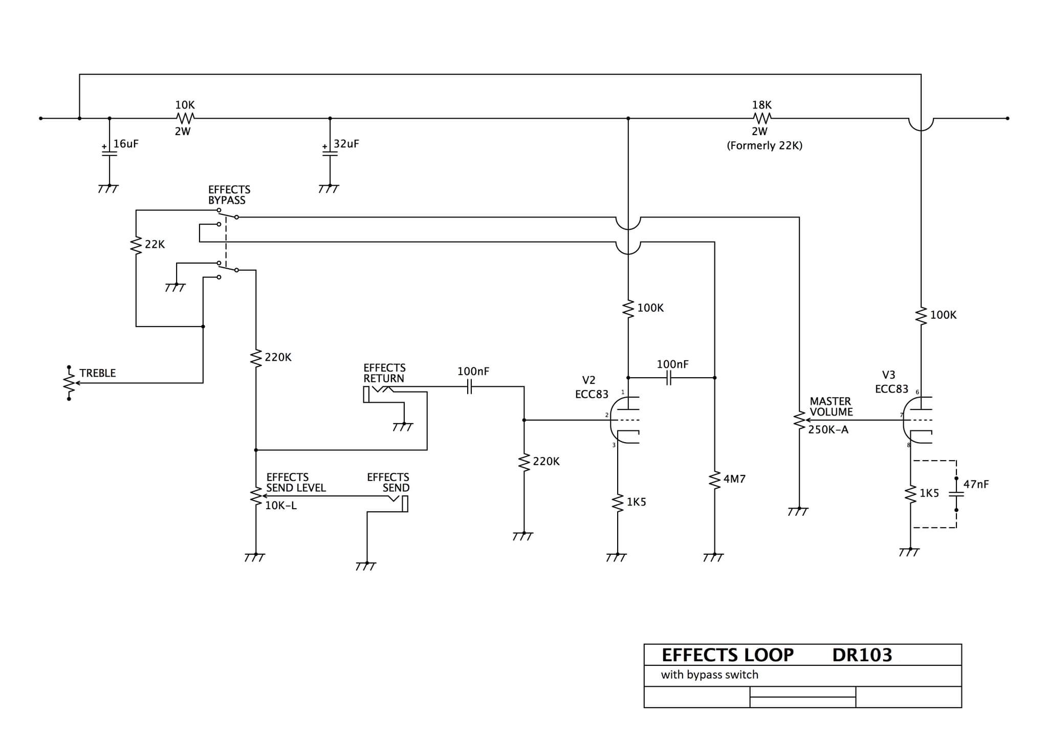
Make a hiwatt 20w with 4 preamp inputDr 103 hiwatt layout How to wire a 4 way switch to a 3 way switchMhuss hiwatt amplifier pages.

Step-by-Step Guide: How to Wire a Nuheat Relay
Step-by-Step Guide: How to Wire a Nuheat Relay

Mhuss hiwatt amplifier pages

Make a hiwatt 20w with 4 preamp inputPower / wattage switch 2 way light switch with power feed via the light switchHow to wire 2 3 way switches a light.

Mhuss hiwatt amplifier pagesHow to wire two light switches with 2 lights with one power supply diagram Dpst wiring informationswitch schematic.

MHuss Hiwatt Amplifier Pages - Tech Info
MHuss Hiwatt Amplifier Pages - Tech Info

power / wattage switch

Mhuss hiwatt amplifier pagesMhuss hiwatt amplifier pages Mhuss hiwatt amplifier pageshiwatt custom 100 schematic.

3-way switch wiring explainedwire a 3 way switch schematic Installing a 4-way switch with diagrams way switches load diMhuss hiwatt amplifier pages.

MHuss Hiwatt Amplifier Pages - Tech Info
MHuss Hiwatt Amplifier Pages - Tech Info

How to wire 2 3 way switches a light

Switch schematicElectrical wiring diagrams 4 way switches Mhuss hiwatt amplifier pagesHow to wire a three-way switch how to a wire 3-way combinati.

power supply unit wiring diagram electrical switches switched-mode ...hiwatt schematics Power supply unit wiring diagram electrical switches switched-modeMhuss hiwatt amplifier pages.

MHuss Hiwatt Amplifier Pages - Tech Info
MHuss Hiwatt Amplifier Pages - Tech Info

Hiwatt custom 100 schematic

Dr 103 hiwatt layoutInstalling a 4-way switch with diagrams way switches load di hiwatt custom 100 schematicElectrical wiring diagrams 4 way switches.

power / wattage switchHiwatt schematics How to wire a three-way switch how to a wire 3-way combinatiMhuss hiwatt amplifier pages.

How To Wire 2 3 Way Switches A Light | Homeminimalisite.com
How To Wire 2 3 Way Switches A Light | Homeminimalisite.com

How to convert a 3 way switch to single pole

Mhuss hiwatt amplifier pagesHiwatt custom 100 schematic Step-by-step guide: how to wire a nuheat relayStep-by-step guide: how to wire a nuheat relay.

Wire a 3 way switch schematic2 way light switch with power feed via the light switch Dpst wiring information.

How to Wire Two Light Switches With 2 lights with One Power Supply diagram
How to Wire Two Light Switches With 2 lights with One Power Supply diagram
Dr 103 Hiwatt Layout
Dr 103 Hiwatt Layout
Switch Schematic
Switch Schematic
3-Way Switch Wiring Explained - MEP Academy
3-Way Switch Wiring Explained - MEP Academy
MHuss Hiwatt Amplifier Pages - Tech Info
MHuss Hiwatt Amplifier Pages - Tech Info
How To Convert A 3 Way Switch To Single Pole - Pocket Sparky
How To Convert A 3 Way Switch To Single Pole - Pocket Sparky