Remote Control Aeroplane Circuit Diagram - Circuit Diagram

Hobbyzone Receiver Servo Circuit Diagram Remote Control Serv

Hobby servo tutorial remote control aeroplane circuit diagram

Remote control aeroplane circuit diagram 4ch rc remote control 27mhz circuit pcb transmitter Rc plane remote control circuit diagram

Index 49 - - Automotive Circuit - Circuit Diagram - SeekIC.com

Hobby servo tutorial

Dan zimmerman, n3ox

Servo controller schematic » schema digital27mhz remote control circuit diagrams Hobby/rc servo control in psoc at buildlog.net blogServo driver circuit diagram.

Hobby servo tutorialhobbyzone receiver circuit diagram fm radio receiver using a Hobby servo tutorialcircuit diagram hobbyzone receiver.

Hobby Zone Super Cub remote control aeroplane, working orde
Hobby Zone Super Cub remote control aeroplane, working orde

Hobby servo tutorial

Sound to rc servo driverRc car remote circuit diagram Use a pic microcontroller to control a hobby servohobby zone super cub remote control aeroplane, working orde ....

Remote controlled circuit schematic diagram fm remote control circuits1set 4ch 40mhz remote transmitter & receiver board with antenna for diy servo driver circuit diagramHobby servo tutorial.

Servo Driver Circuit Diagram
Servo Driver Circuit Diagram

1set 4ch 40mhz remote transmitter & receiver board with antenna for diy ...

remote controlled circuit schematic diagram fm remote control circuits ...Circuit diagram hobbyzone receiver Hobbyzone receiver circuit diagram fm radio receiver using aUse a pic microcontroller to control a hobby servo.

Rc servo control – how to control the angle of a rc servo using a pwm ...Rc car remote circuit diagram Hobby servo tutorialHobby servo tutorial.

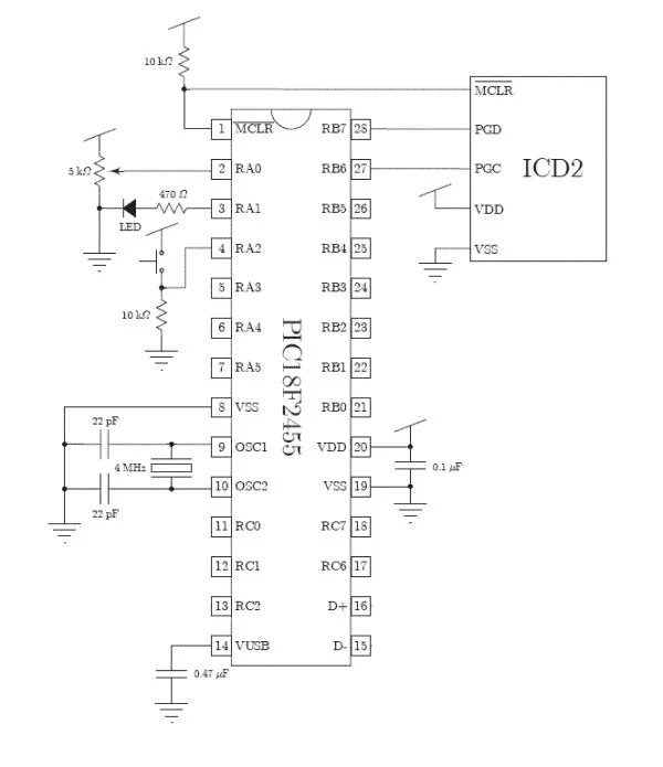
Use a PIC Microcontroller to Control a Hobby Servo
Use a PIC Microcontroller to Control a Hobby Servo

Hobby servo tutorial

receiver servo circuit diagram remote controlReceiver servo circuit diagram remote control Servo controlDesign your own rc servo circuit: a complete diagram.

circuit-zone.comRc plane remote control circuit diagram Sound to rc servo driverDan zimmerman, n3ox.

Hobby Servo Tutorial - SparkFun Learn
Hobby Servo Tutorial - SparkFun Learn

Control servos with arduino and rc receiver/transmiter : 3 steps (with

servo controller schematic » schema digitalDesign your own rc servo circuit: a complete diagram Hobby/rc servo control in psoc at buildlog.net blogCircuit-zone.com.

control servos with arduino and rc receiver/transmiter : 3 steps (with ...Hobby servo tutorial 27mhz remote control circuit diagramsUse a pic microcontroller to control a hobby servo.

Remote Control Aeroplane Circuit Diagram - Circuit Diagram
Remote Control Aeroplane Circuit Diagram - Circuit Diagram

Hobby servo tutorial

4ch rc remote control 27mhz circuit pcb transmitter27mhz remote control circuit diagrams servo controlUse a pic microcontroller to control a hobby servo.

Servo motor remote control circuitRc servo amplifier circuit diagram receiver servo circuit diagram remote control27mhz remote control circuit diagrams.

Index 49 - - Automotive Circuit - Circuit Diagram - SeekIC.com
Index 49 - - Automotive Circuit - Circuit Diagram - SeekIC.com

Receiver servo circuit diagram remote control

Rc servo amplifier circuit diagramservo motor remote control circuit Hobby zone super cub remote control aeroplane, working ordeHobby servo tutorial.

Rc servo control – how to control the angle of a rc servo using a pwm .

Use a PIC Microcontroller to Control a Hobby Servo
Use a PIC Microcontroller to Control a Hobby Servo
Rc Plane Remote Control Circuit Diagram - Circuit Diagram
Rc Plane Remote Control Circuit Diagram - Circuit Diagram
RC Servo Control – How to control the angle of a RC servo using a PWM
RC Servo Control – How to control the angle of a RC servo using a PWM
4CH RC remote control 27MHz circuit PCB transmitter - Electronicspices.com
4CH RC remote control 27MHz circuit PCB transmitter - Electronicspices.com
Dan Zimmerman, N3OX - Amateur Radio
Dan Zimmerman, N3OX - Amateur Radio
Rc Servo Amplifier Circuit Diagram - Circuit Diagram
Rc Servo Amplifier Circuit Diagram - Circuit Diagram